Hej,
Nu sliter jag mitt hår snart,
Jag har försökt att koppla in extraljus på min santa fe 2002, jag har tagit tjuvkablar från båda stiften på min H4 lampa och har ett nytt relä (85, 85, 87 30)
Jag har kopplat båda trådarna från H4 til 85 och 86, ström till 30 och 87 till extraljusen.....
Varför får jag det inte at funka?
Sen har jag en tub/fyrkantig pelarsäkring 20 amp som har gått kan det ha med saken att göra, den tredje uppifrån till vänster en ljusblå med lila lock...vet ej vad den skyddar..
Kan nån hjälpa mig.
Annons
Re: helljus och inkoppling av extraljus.
3Och n har jag inget helljus alls när jag återställt allt efter jag misslyckats med extraljusinstallationen
Säkringarna hela och kablaget återställt, vad trött jag blir!
Säkringarna hela och kablaget återställt, vad trött jag blir!
Re: helljus och inkoppling av extraljus.
4..uhm..ska inte lasten ligga över 30-87
och styrspänningen 85-86..?
Dvs kabel från batteri, via ny säkring in på 30
ut från 87 till lampa/lampor
Styrström från en av helljuslamporna, kanske via en brytare i bilen, in på 86
och 85 till jord/chassi
och styrspänningen 85-86..?
Dvs kabel från batteri, via ny säkring in på 30
ut från 87 till lampa/lampor
Styrström från en av helljuslamporna, kanske via en brytare i bilen, in på 86
och 85 till jord/chassi
Anders 
Former owner of: 2007 CM/V6/Exclusive -7, Gun metal, "Stockholm Edition"
Bra att ha länkar:
Accent
Santa Fé (SM)
Santa Fé (CM)
Tucson (JM)
Former owner of: 2007 CM/V6/Exclusive -7, Gun metal, "Stockholm Edition"
Bra att ha länkar:
Accent
Santa Fé (SM)
Santa Fé (CM)
Tucson (JM)
Re: helljus och inkoppling av extraljus.
5tack för input!
Ja det låter rimligt, frågan är nu bara varför jag inte kan växla mellan hel och halvljus nu när jag har återställt allt? finns ju inget relä utan styrs ju med spaken framåt
Ja det låter rimligt, frågan är nu bara varför jag inte kan växla mellan hel och halvljus nu när jag har återställt allt? finns ju inget relä utan styrs ju med spaken framåt
Re: helljus och inkoppling av extraljus.
7Halvljuset normalt men inget helljus ?
Inte heljusblink heller?
Å lamporna är hela?
Inte heljusblink heller?
Å lamporna är hela?
Anders 
Former owner of: 2007 CM/V6/Exclusive -7, Gun metal, "Stockholm Edition"
Bra att ha länkar:
Accent
Santa Fé (SM)
Santa Fé (CM)
Tucson (JM)
Former owner of: 2007 CM/V6/Exclusive -7, Gun metal, "Stockholm Edition"
Bra att ha länkar:
Accent
Santa Fé (SM)
Santa Fé (CM)
Tucson (JM)
Re: helljus och inkoppling av extraljus.
8Bara halvljus och lamporna är hela, alla
Säkringar hela. Ingen indikation på att hellyset i instrumenteringen och händer inget när jag drar spaken framåt eller bakåt, konstant halvljus bara, positionsljuset funkar på vredet i spaken och innerbelysningen
Säkringar hela. Ingen indikation på att hellyset i instrumenteringen och händer inget när jag drar spaken framåt eller bakåt, konstant halvljus bara, positionsljuset funkar på vredet i spaken och innerbelysningen
Re: helljus och inkoppling av extraljus.
9Sådana där strömtjuvar (klämmor) kan ju vara så jä*liga att de orsakar avbrott istället...
Eftersom lampan i instrumenteringen inte heller lyser så känns det dock inte så troligt nu.
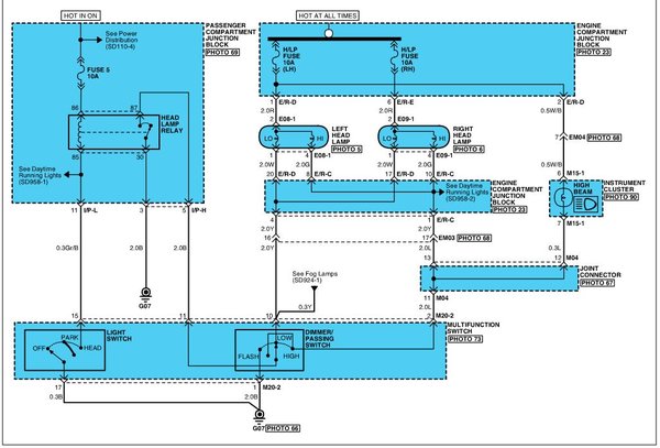
Det finns en kontakt som man skulle kunna mäta på (se bild) där 13 är från helljusen, 12 från indikatorlampan och 11 går vidare till strömbrytaren inne i bilen.
Finns spänning på dessa pos?
Annars är det nog spaken nästa
Eftersom lampan i instrumenteringen inte heller lyser så känns det dock inte så troligt nu.
Det finns en kontakt som man skulle kunna mäta på (se bild) där 13 är från helljusen, 12 från indikatorlampan och 11 går vidare till strömbrytaren inne i bilen.
Finns spänning på dessa pos?
Annars är det nog spaken nästa
Anders 
Former owner of: 2007 CM/V6/Exclusive -7, Gun metal, "Stockholm Edition"
Bra att ha länkar:
Accent
Santa Fé (SM)
Santa Fé (CM)
Tucson (JM)
Former owner of: 2007 CM/V6/Exclusive -7, Gun metal, "Stockholm Edition"
Bra att ha länkar:
Accent
Santa Fé (SM)
Santa Fé (CM)
Tucson (JM)
Re: helljus och inkoppling av extraljus.
10Anders 
Former owner of: 2007 CM/V6/Exclusive -7, Gun metal, "Stockholm Edition"
Bra att ha länkar:
Accent
Santa Fé (SM)
Santa Fé (CM)
Tucson (JM)
Former owner of: 2007 CM/V6/Exclusive -7, Gun metal, "Stockholm Edition"
Bra att ha länkar:
Accent
Santa Fé (SM)
Santa Fé (CM)
Tucson (JM)
Re: helljus och inkoppling av extraljus.
11Anders 
Former owner of: 2007 CM/V6/Exclusive -7, Gun metal, "Stockholm Edition"
Bra att ha länkar:
Accent
Santa Fé (SM)
Santa Fé (CM)
Tucson (JM)
Former owner of: 2007 CM/V6/Exclusive -7, Gun metal, "Stockholm Edition"
Bra att ha länkar:
Accent
Santa Fé (SM)
Santa Fé (CM)
Tucson (JM)
Re: helljus och inkoppling av extraljus.
13Hur gick det? Jag har en Santa Fe där förra ägaren installerat precis allt utom just kopplat in relä. Sex extraljus totalt. Jag mätte o mätte men blev inte heller klok på hur det ska kopplas. Dock har ägaren innan dragit mystiska strömtjuvar som jag tog bort och snyggade till.
Re: helljus och inkoppling av extraljus.
14Ingen som vet hur man kopplar in extraljus på en Hyundai Santa Fe 2003?
Re: helljus och inkoppling av extraljus.
15Santan har ju + hela tiden och minus som tillslag. Du kan koppla relä som vanligt men istället för + manövrering av relät så tjyva - från kablarna till heljuslampan . Vill du inte ha fula extra ljus så går det att bättra på ljuset betydligt på följande sätt: http://www.hyundaiforum.se/viewtopic.php?f=5&t=7617

